Manuals Kart
Kubota M6800SDT-CAB Tractor Parts Catalog Pdf Manual
Kubota M6800SDT-CAB Tractor Parts Catalog Pdf Manual
⭐⭐⭐⭐⭐ 50+ Reviews
Couldn't load pickup availability
Kubota M6800SDT-CAB 4WD Climate-Controlled Tractor Parts PDF
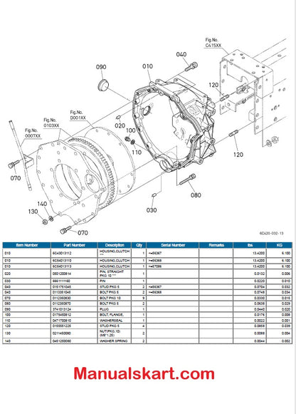
Intro: Pushing through deep snowdrifts or navigating muddy, rutted feedlots is where the Kubota M6800SDT-CAB truly excels. This machine represents a vital combination of all-weather operator protection and relentless 4WD (Dual Traction) gripping power. Because this specific configuration integrates the heavy-duty mechanical transfer case of the "DT" series with the complex HVAC and structural elements of a factory cabin, maintaining it requires highly precise data. Relying on aftermarket crossover lists or standard 2WD diagrams will almost certainly lead to mismatched bevel gears or incorrect cabin seals. The Kubota M6800SDT-CAB parts catalog pdf delivers a flawless, visual blueprint tailored exactly to your all-weather workhorse. By diving into the detailed exploded view diagrams featured in this digital archive, you can confidently trace intricate driveline paths and secure the authentic Kubota M6800SDT-CAB OEM part numbers. Keeping this essential reference file on your smartphone or workshop computer ensures that every repair order is flawlessly accurate, minimizing downtime during your busiest seasons.
File Specifications & Delivery Profile
| Technical Document | Kubota M6800SDT-CAB Illustrated Hardware Index |
| Machine Architecture | 4-Wheel Drive (Dual Traction) / Factory Enclosure / "S" Variant |
| File Type | Searchable PDF (Mobile, Tablet, and Desktop ready) |
| Estimated Length | 400+ Pages of component tables and mechanical drawings |
| Workshop Application | Print specific schematics directly for messy, hands-on tasks |
| Language Provided | English |
| Distribution Source | Instant download link via Manualskart.com |
Core Hardware & Systems Mapping
This technical directory physically breaks down the rugged assemblies unique to your 4WD cab tractor. Important notice: This document functions exclusively as an illustrated parts locator. It does not provide written engine diagnostic steps, troubleshooting flowcharts, or step-by-step repair instructions.
- Dual Traction Front Driveline: Accurate technical drawings detailing the heavy-duty 4WD steering knuckles, the essential 4wd drive shaft u-joint assemblies, and the massive front axle bevel gear hubs designed to withstand heavy loader stresses.
- Climate-Sealed Operator Cabin: Complete visual listings for the operator enclosure, mapping out the specific cabin glass numbers, door locking mechanisms, heavy-duty weather stripping, and the full HVAC system including the ac compressor part.
- Mechanical Power Transmission: Detailed visual layouts of the primary gearbox housing, highlighting the shift fork hardware, main clutch friction plates, and synchronized directional gears.
- Diesel Powerplant Routing: Comprehensive hardware lists covering the 4-cylinder engine block, identifying the mechanical fuel injection network, the water pump hardware, exhaust manifold, and radiator cooling loops.
- Fluid Power & Hitch Dynamics: Essential directories outlining the main hydraulic pump assembly, rear auxiliary control valves, independent PTO shafts, and the robust Category I/II 3 point hitch linkages.
Who Needs This Parts Blueprint?
- Commercial Snow Removal Teams: Safeguard your winter contracts by quickly tracking down the correct heater core hardware or HVAC blower fans using official factory codes, ensuring operator safety and comfort during blizzards.
- Heavy-Duty Diesel Mechanics: Analyze the intricate internal layout of the differential gear diagram and the 4WD transfer case to fully understand mechanical tolerances prior to beginning a major front-axle rebuild in your shop.
- Large-Scale Property Managers: Take direct control over preventative fleet care by precisely identifying the exact seasonal maintenance parts required, ensuring you always have the correct fluid filters and engine belts stocked on your shelves.
Upgrade Your Technical Data Access
Transitioning from easily ruined physical books to a secure digital PDF shields your vital tractor data from shop wear and fluid spills, while simultaneously unlocking the ability to instantly keyword-search specific part codes. To fully outfit your maintenance facility for any heavy mechanical repair, browse our expansive library at Kubota All Equipments Manuals. At Manualskart, we are strictly dedicated to providing the authentic factory documentation you need to sustain your high-performing utility fleet.
Specific Equipment Inquiries (FAQ)
Are the components for the Dual Traction front end explicitly mapped in this file?
Yes. This catalog includes distinct, dedicated sections for the 4WD front axle, supplying precise OEM part numbers for the bevel gears, drive shafts, and heavy-duty steering knuckles unique to the "SDT" variant.
Will this manual help me find the correct hydraulic filter number?
Absolutely. The catalog supplies the precise OEM part codes for all routine maintenance items, including the specific hydraulic filter number, engine oil cartridges, and primary air cleaner elements required to keep your machine running optimally.
Can I use this manual to locate the cabin air conditioning and heating parts?
Yes. Because this document covers the "CAB" model, you will find detailed sections mapping the entire climate control setup, providing official OEM codes for the AC compressor, evaporator, heater core, and all associated HVAC hoses.
Does this parts directory provide instructions for adjusting engine timing?
No. This file operates purely as an illustrated locator for identifying OEM hardware. If you require step-by-step tear-down procedures, fluid capacities, or torque specifications, you must acquire the official Kubota service and repair manual.
How fast is the digital PDF delivered after my purchase is complete?
Access is immediate. The moment your secure transaction clears on Manualskart.com, a direct download link is generated on your screen, and an identical backup link is sent automatically to your email inbox for safe digital storage.
Share

Customers Reviews
-
Mary R. Rodriguez ⭐⭐⭐⭐⭐
Quick service, affordable price, and professional quality manuals and also get Instant Download Link. Highly recommend
-
Santiago R. Gordon ⭐⭐⭐⭐⭐
Customer support is very helping they help me to find correct manual for my tractor. Great Work ManualsKart.com Thank you!
-
Adam P. Sweeney ⭐⭐⭐⭐⭐
After Completing checkout I received Instant Download Link on my Email Great Work I will use service again
-
Marvin S. Simpson ⭐⭐⭐⭐⭐
This manual was exactly as listed and is a very high quality. Great deal for the price and delivery was within a few minutes.
Case construction equipment parts Case agriculture equipment manuals New holland agriculture parts New holland construction parts Volvo skid steer parts Cub cadet service manual pdf Kubota service manuals pdf Caterpillar wheel loader manual pdf Hyundai service manual pdf Cummins service manuals Mitsubishi diesel engine manual pdf Perkins engine service manual Yanmar Diesel engine service manual pdf Caterpillar equipment manuals Kubota tractor service manual Volvo service manual Bobcat Equipment Manual parts Pdf Komatsu excavator Downloadable caterpillar manuals US JCB Service manual download