Comprehensive Caterpillar Equipment Manual Collection
Explore our extensive selection of Caterpillar service and repair manuals (PDF) that cover every major type of construction and heavy equipment. Each manual provides factory-level accuracy with complete troubleshooting, hydraulic diagrams, and maintenance intervals.
Our Caterpillar Manual Categories Include:
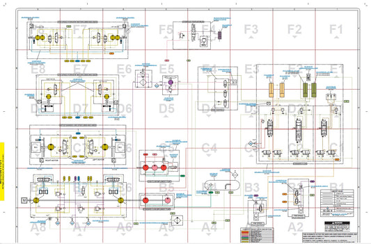
- Caterpillar Excavator Manuals – detailed hydraulic, engine, and electrical repair procedures.
- Caterpillar Bulldozer Manuals – maintenance and overhaul guides for reliable performance.
- Caterpillar Backhoe Loader Manuals – covers drivetrain, hydraulics, and operational diagnostics.
- Caterpillar Articulated Dump Truck Manuals – step-by-step repair instructions for ADT models.
- Caterpillar Asphalt Paver Manuals – service procedures and adjustment guides.
- Caterpillar Track-Type Tractor Manuals – engine, transmission, and undercarriage repair details.
Each manual is designed for easy reference, ensuring you find the right Caterpillar PDF repair manual quickly and confidently.
Why Choose Caterpillar Manuals from ManualsKart
- OEM-sourced and verified content for accuracy and reliability
- Instant digital downloads with secure checkout
- Searchable and printable PDF format for convenience
- Available worldwide — trusted by professionals in the USA, Canada, Australia & beyond
- Global support team ready to assist anytime
Whether you’re performing routine maintenance or advanced troubleshooting, our Caterpillar repair and service manuals provide the clarity and technical detail you need to reduce downtime and extend equipment life.
How It Works
- Select your Caterpillar manual and add it to your cart
- Complete checkout securely
- Instantly download your PDF manual from the confirmation email
- Access on any device — laptop, tablet, or smartphone — or print for offline use
If you need help finding the correct manual, our 24/7 support team is always ready to assist at manualskart@gmail.com
Customer Support & Trust
ManualsKart is a trusted global source for OEM-grade equipment documentation. Every file is safe, verified, and instantly accessible after purchase. Your satisfaction is guaranteed — if you have any questions, simply reach out to our friendly support team.
Ready to Start?
Browse and download Caterpillar equipment manuals instantly.
Frequently Asked Questions
Q: Are these Caterpillar manuals OEM and accurate?
Q: How quickly will I receive my Caterpillar manual after purchase?
Q: Can I access the manual on multiple devices?
Q: Which Caterpillar models are available?
Q: What if I need help finding the right manual?
Q: Why should I choose ManualsKart for Caterpillar manuals?
Case construction equipment parts Case agriculture equipment manuals New holland agriculture parts New holland construction parts Volvo skid steer parts Cub cadet service manual pdf Kubota service manuals pdf Caterpillar wheel loader manual pdf Hyundai service manual pdf Cummins service manuals Mitsubishi diesel engine manual pdf Perkins engine service manual Yanmar Diesel engine service manual pdf Caterpillar equipment manuals Kubota tractor service manual Volvo service manual Bobcat Equipment Manual parts Pdf Komatsu excavator Downloadable caterpillar manuals US JCB Service manual download













