Manuals Kart
Caterpillar AP-650B Asphalt Paver Pdf Schematic Wiring Diagram Manual
Caterpillar AP-650B Asphalt Paver Pdf Schematic Wiring Diagram Manual
⭐⭐⭐⭐⭐ 50+ Reviews
Couldn't load pickup availability
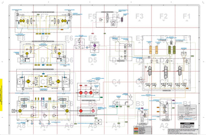
Schematic Wiring Diagram Manual Overview
Caterpillar AP-650B Asphalt Paver PDF Schematic Wiring Diagram Manual (Serial Prefixes 9DN, A7P) is a dedicated electrical schematic reference developed to document the complete wiring configuration and circuit layout used on the AP-650B asphalt paving machine. This manual presents clear, system-based schematic diagrams that explain how electrical power and control signals are distributed throughout the machine.
Intended for technicians maintaining B-series Caterpillar asphalt pavers, this manual focuses exclusively on electrical schematics and circuit logic. It allows accurate interpretation of wiring paths, connector locations, and component relationships when diagnosing electrical issues that affect paving performance, propulsion control, and machine monitoring systems.
Electrical Systems Covered
- Complete schematic wiring diagrams for Caterpillar AP-650B asphalt pavers
- Main electrical power supply and distribution circuits
- Engine electrical wiring for starting, shutdown, and protection functions
- Charging system circuits including alternator and battery connections
- Paver control switches and operational electrical logic
- Propulsion and travel control electrical systems
- Lighting and safety-related electrical circuits
- Instrumentation and machine monitoring wiring diagrams
- Fuse panels, relays, connectors, switches, and grounding points
Manual Specifications
- Machine Model: Caterpillar AP-650B Asphalt Paver
- Serial Prefixes: 9DN, A7P
- Manual Type: Schematic Wiring Diagram Manual
- Format: PDF Digital Download
- Language: English
- Device Compatibility: Windows, macOS, Android, iOS
Why This Wiring Diagram Manual Is Important
- Provides accurate electrical circuit layouts specific to the AP-650B platform
- Helps locate wiring faults, connector issues, and electrical failures
- Supports precise tracing of wiring harnesses and control circuits
- Reduces downtime during electrical diagnostics and troubleshooting
- High-resolution schematics suitable for detailed zoom inspection
- Searchable PDF format for fast circuit and component reference
- Ideal for workshops, fleet maintenance teams, and equipment owners
Download the Caterpillar AP-650B Asphalt Paver Schematic Wiring Diagram Manual to gain instant access to detailed electrical schematics required for accurate diagnostics, efficient troubleshooting, and dependable electrical servicing.
Share

Customers Reviews
-
Mary R. Rodriguez ⭐⭐⭐⭐⭐
Quick service, affordable price, and professional quality manuals and also get Instant Download Link. Highly recommend
-
Santiago R. Gordon ⭐⭐⭐⭐⭐
Customer support is very helping they help me to find correct manual for my tractor. Great Work ManualsKart.com Thank you!
-
Adam P. Sweeney ⭐⭐⭐⭐⭐
After Completing checkout I received Instant Download Link on my Email Great Work I will use service again
-
Marvin S. Simpson ⭐⭐⭐⭐⭐
This manual was exactly as listed and is a very high quality. Great deal for the price and delivery was within a few minutes.
Case construction equipment parts Case agriculture equipment manuals New holland agriculture parts New holland construction parts Volvo skid steer parts Cub cadet service manual pdf Kubota service manuals pdf Caterpillar wheel loader manual pdf Hyundai service manual pdf Cummins service manuals Mitsubishi diesel engine manual pdf Perkins engine service manual Yanmar Diesel engine service manual pdf Caterpillar equipment manuals Kubota tractor service manual Volvo service manual Bobcat Equipment Manual parts Pdf Komatsu excavator Downloadable caterpillar manuals US JCB Service manual download