Manuals Kart
Caterpillar 568 FM LL Excavator Pdf Schematic Wiring Diagram Manual
Caterpillar 568 FM LL Excavator Pdf Schematic Wiring Diagram Manual
⭐⭐⭐⭐⭐ 50+ Reviews
Couldn't load pickup availability
Schematic Wiring Diagram Manual Overview
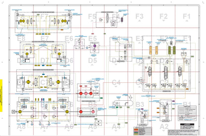
Caterpillar 568 FM LL Excavator PDF Schematic Wiring Diagram Manual is a specialized electrical documentation manual developed for the forestry machine log loader (FM LL) configuration of the Caterpillar 568 excavator. This manual is dedicated exclusively to schematic wiring diagrams, providing a clear and system-oriented representation of electrical circuit routing, log loader attachment interface wiring, and reinforced power distribution systems designed for continuous-duty forestry and timber handling operations.
Designed for electrical technicians, forestry service engineers, and professional maintenance workshops, this wiring diagram manual enables accurate circuit interpretation, dependable connector identification, and structured electrical diagnostics. The schematic-focused format supports efficient troubleshooting of complex electrical systems used in high-cycle log loading environments.
Electrical System Coverage
- Complete schematic wiring diagrams for Caterpillar 568 FM LL excavators
- Main electrical power supply and reinforced distribution system layout
- Log loader attachment and auxiliary electrical circuit wiring
- Starting, charging, and engine electrical system schematics
- Electronic control modules and signal circuit wiring
- Monitoring, warning, and operator display system schematics
- Fuse panels, relays, switches, and circuit protection components
- Grounding locations, connectors, and circuit identification references
Manual Specifications
- Machine Model: Caterpillar 568 FM LL Excavator
- Manual Type: Schematic Wiring Diagram Manual
- Format: PDF Digital Download
- Language: English
- Compatibility: Windows, macOS, Android, iOS
Why This Wiring Diagram Manual Is Essential
- Clarifies log loader–specific electrical circuits and control wiring
- Supports accurate diagnosis of wiring and electronic faults
- Helps prevent incorrect wiring and unnecessary component replacement
- Reduces downtime during forestry equipment electrical troubleshooting
- High-resolution schematics optimized for digital zoom clarity
- Searchable PDF format for fast circuit navigation
- Essential reference for professional Caterpillar 568 FM LL servicing
Download the Caterpillar 568 FM LL Excavator Schematic Wiring Diagram Manual and get instant PDF access to precise electrical schematics required for accurate diagnostics and dependable electrical repair.
Share

Customers Reviews
-
Mary R. Rodriguez ⭐⭐⭐⭐⭐
Quick service, affordable price, and professional quality manuals and also get Instant Download Link. Highly recommend
-
Santiago R. Gordon ⭐⭐⭐⭐⭐
Customer support is very helping they help me to find correct manual for my tractor. Great Work ManualsKart.com Thank you!
-
Adam P. Sweeney ⭐⭐⭐⭐⭐
After Completing checkout I received Instant Download Link on my Email Great Work I will use service again
-
Marvin S. Simpson ⭐⭐⭐⭐⭐
This manual was exactly as listed and is a very high quality. Great deal for the price and delivery was within a few minutes.
Case construction equipment parts Case agriculture equipment manuals New holland agriculture parts New holland construction parts Volvo skid steer parts Cub cadet service manual pdf Kubota service manuals pdf Caterpillar wheel loader manual pdf Hyundai service manual pdf Cummins service manuals Mitsubishi diesel engine manual pdf Perkins engine service manual Yanmar Diesel engine service manual pdf Caterpillar equipment manuals Kubota tractor service manual Volvo service manual Bobcat Equipment Manual parts Pdf Komatsu excavator Downloadable caterpillar manuals US JCB Service manual download