Manuals Kart
Caterpillar 416 Backhoe Loader Pdf Schematic Wiring Diagram Manual
Caterpillar 416 Backhoe Loader Pdf Schematic Wiring Diagram Manual
⭐⭐⭐⭐⭐ 50+ Reviews
Couldn't load pickup availability
Schematic Wiring Diagram Manual Overview
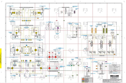
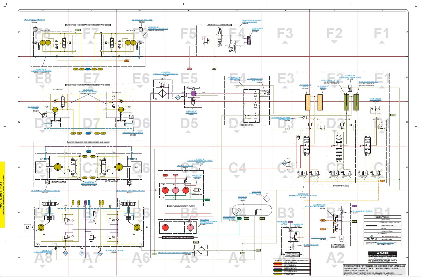
Caterpillar 416 Backhoe Loader PDF Schematic Wiring Diagram Manual (Serial Prefixes 5PC, H8P, L8P, L9P) is a professional electrical schematic reference developed to document the complete wiring layout and circuit configuration used on the Caterpillar 416 backhoe loader platform. This manual provides clearly structured schematic diagrams that illustrate electrical power distribution, control circuit routing, and system integration across all major machine functions.
Designed for technicians supporting Caterpillar backhoe loaders, this manual focuses exclusively on electrical schematics and circuit logic. It enables accurate tracing of wiring paths, connectors, and signal flow required to diagnose electrical issues affecting starting systems, charging circuits, hydraulic controls, lighting, and machine monitoring systems.
Electrical Systems Covered
- Complete schematic wiring diagrams for Caterpillar 416 backhoe loaders
- Main electrical power supply and machine distribution architecture
- Engine starting, shutdown, and protection circuits
- Charging system, alternator control, and battery wiring
- Transmission and drivetrain electrical signal circuits
- Hydraulic control electrical interfaces and solenoid wiring
- Instrumentation, monitoring systems, and warning indicators
- Lighting systems, switches, relays, and fuse panels
- Grounding points, connectors, and circuit identification references
Manual Specifications
- Machine Model: Caterpillar 416 Backhoe Loader
- Serial Prefixes: 5PC, H8P, L8P, L9P
- Manual Type: Schematic Wiring Diagram Manual
- Format: PDF Digital Download
- Language: English
- Device Compatibility: Windows, macOS, Android, iOS
Why This Wiring Diagram Manual Is Essential
- Provides accurate electrical circuit mapping specific to the 416 platform
- Helps identify wiring faults, sensor issues, and electrical failures
- Supports precise tracing of wiring harnesses and electrical components
- Reduces downtime during electrical diagnostics and troubleshooting
- Prevents incorrect wiring during repairs or component replacement
- High-resolution schematics optimized for detailed digital zoom clarity
- Searchable PDF format for fast circuit and connector navigation
Download the Caterpillar 416 Backhoe Loader Schematic Wiring Diagram Manual to gain instant access to detailed electrical schematics required for accurate diagnostics, efficient troubleshooting, and dependable electrical repair.
Share

Customers Reviews
-
Mary R. Rodriguez ⭐⭐⭐⭐⭐
Quick service, affordable price, and professional quality manuals and also get Instant Download Link. Highly recommend
-
Santiago R. Gordon ⭐⭐⭐⭐⭐
Customer support is very helping they help me to find correct manual for my tractor. Great Work ManualsKart.com Thank you!
-
Adam P. Sweeney ⭐⭐⭐⭐⭐
After Completing checkout I received Instant Download Link on my Email Great Work I will use service again
-
Marvin S. Simpson ⭐⭐⭐⭐⭐
This manual was exactly as listed and is a very high quality. Great deal for the price and delivery was within a few minutes.
Case construction equipment parts Case agriculture equipment manuals New holland agriculture parts New holland construction parts Volvo skid steer parts Cub cadet service manual pdf Kubota service manuals pdf Caterpillar wheel loader manual pdf Hyundai service manual pdf Cummins service manuals Mitsubishi diesel engine manual pdf Perkins engine service manual Yanmar Diesel engine service manual pdf Caterpillar equipment manuals Kubota tractor service manual Volvo service manual Bobcat Equipment Manual parts Pdf Komatsu excavator Downloadable caterpillar manuals US JCB Service manual download