Komatsu Equipment Service Manuals – Excavator, Wheel Loader & More (PDF Downloads)
Welcome to Manualskart, your trusted source for Komatsu equipment service manuals PDF—designed to help you maintain, troubleshoot, and repair your heavy-duty Komatsu machinery with confidence. Whether you operate a Komatsu excavator, a WA380 wheel loader, or a Komatsu 210 excavator, our manual collection delivers OEM-quality service documentation at your fingertips.
With decades of experience supporting construction, mining, and industrial sectors, Komatsu machines are known for reliability. Keep them operating at peak performance with expertly curated manuals covering everything from daily maintenance to in-depth overhauls.
Your Go-To Resource for Komatsu PDF Manuals
Manualskart offers a comprehensive collection of Komatsu service manuals, available in instantly downloadable PDF format. Whether you're a fleet mechanic, equipment owner, or workshop technician, these manuals provide everything you need for:
- Hydraulic system servicing
- Engine diagnostics and repair
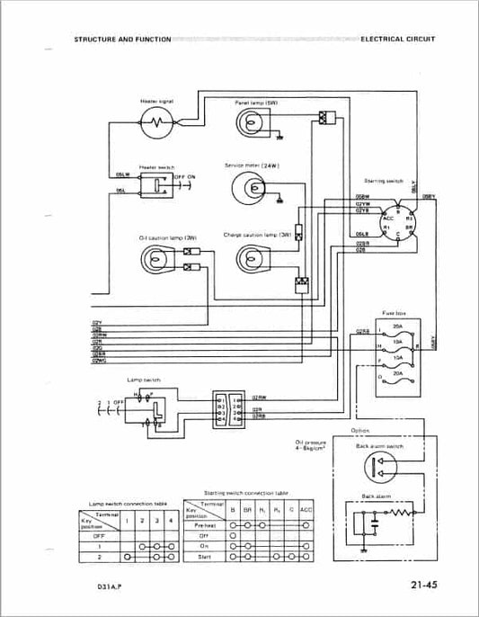
- Electrical system wiring diagrams
- Periodic maintenance schedules
- Safety procedures and system specs
All manuals are searchable, printable, and compatible with any device, making them perfect for both workshop use and on-site troubleshooting.
Featured: Komatsu 210 Excavator Service Manual
One of our most requested manuals is for the Komatsu 210 excavator—a workhorse in the construction world. This PDF guide offers detailed procedures for everything from boom cylinder servicing to undercarriage maintenance, helping you extend equipment life and minimize costly downtime.
Includes:
- Hydraulic system schematics
- Fuel injection system details
- Step-by-step disassembly instructions
- Component torque specs and wear limits
Ideal for routine maintenance and complex repair tasks, this manual is a must-have for 210 series operators.
Komatsu WA380 Manual – Full-Service Support for Wheel Loaders
If you're operating a Komatsu WA380, our manual provides deep technical coverage of all major systems. From powertrain diagnostics to electronic controls, this PDF service manual gives you complete command over your equipment’s health and performance.
Whether you’re changing transmission oil or calibrating hydraulic valves, the WA380 manual ensures accuracy, safety, and reliability in every step.
Covered Equipment Types:
- Excavators (PC210, PC300, and more)
- Wheel loaders (WA series)
- Bulldozers
- Articulated dump trucks
- Motor graders and more
Download Komatsu Manuals Instantly
Don’t let breakdowns slow you down. Get the tools you need to diagnose, maintain, and repair with full confidence. Browse our Komatsu collection and download your Komatsu WA380 manual, Komatsu 210 excavator guide, or other Komatsu excavator service manuals now—only at Manualskart.
FAQs
1. Where can I find Komatsu excavator manuals?
A: You can find Komatsu excavator manuals for various models, including the Komatsu PC200-8, Komatsu PC300-8, and Komatsu PC210-8, on Manualskart.
2. Where can I get the Komatsu 210 excavator manual?
A: You can get the Komatsu 210 excavator manual on Manualskart, which includes detailed service, maintenance, and operation instructions for this popular model.
3. Where can I find the Komatsu WA380 manual?
A: The Komatsu WA380 manual is available on Manualskart, providing comprehensive instructions for the operation and maintenance of the Komatsu WA380 wheel loader.
4. Where can I download Komatsu equipment manuals?
A: You can download Komatsu equipment manuals for a wide range of machinery, such as the Komatsu PC210-8 excavator, Komatsu WA380 wheel loader, and others, directly from Manualskart.
5. What Komatsu products are covered by your manuals?
A: Manualskart offers manuals for various Komatsu products, including the Komatsu PC200-8, Komatsu PC210-8, Komatsu WA380, Komatsu D65 dozers, and more.
6. How do I ensure I’m downloading the correct Komatsu manual?
A: Each manual on Manualskart specifies the exact model it covers, like the Komatsu PC210-8 excavator or Komatsu WA380 wheel loader, so you can easily find the right one for your equipment.
7. Can I print the Komatsu manuals I download?
A: Yes, once you download your Komatsu manual PDF from Manualskart, you can print it for convenient reference while working on your equipment.
8. Does Manualskart offer bulk discounts for Komatsu manuals and parts?
A: Yes, Manualskart offers bulk discounts for large orders of Komatsu manuals and parts. Contact our customer support for more details on bulk purchases.
Case construction equipment parts Case agriculture equipment manuals New holland agriculture parts New holland construction parts Volvo skid steer parts Cub cadet service manual pdf Kubota service manuals pdf Caterpillar wheel loader manual pdf Hyundai service manual pdf Cummins service manuals Mitsubishi diesel engine manual pdf Perkins engine service manual Yanmar Diesel engine service manual pdf Caterpillar equipment manuals Kubota tractor service manual Volvo service manual Bobcat Equipment Manual parts Pdf Komatsu excavator Downloadable caterpillar manuals US JCB Service manual download




















